Correct option is C

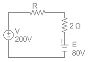
Where V=Source voltage=200V,E=Battery=80V,R=Unknown Series ResistanceIn this given circuit,V=200V,E=80V,Internal resistance (r)=2ΩAs per KVL, V−IR−Ir−E=0;I=current in given circuit=5A200−I×R−I×2−80=05R=200−80−10=110R=5110=22Ω
A battery of 80 V with an internal resistance of 2 Ω is to be charged from 200 V mains. Find the value of the series resistance for charging current of 5 A.

A copper wire is stretched so that its length is increased by 0.2%. What is the percentage change in the resistance?
What is the unit of magnetizing force?
Power loss and voltage drop respectively, in the 2Ω resistor is

Which among the options is voltage source equivalent of the practical current source shown below?

What is the total number of electrons that pass through a conductor in 2 s, if the current through it is 80 mA?
An electrical circuit consists of two capacitors and one inductor. How many state variables are required to describe this system?
In the node analysis method, what is the recommended characteristic of a reference node?
What fundamental principle is used to derive the equations for each mesh when applying mesh analysis to determine the currents in a circuit?
Ten resistors having the same value of resistance i.e. 10 ohm, are connected in parallel. What will be the equivalent resistance of this connection?
The value of inductance needed to store 4kWh of energy in a coil carrying a 2000A current is: