hamburger menu
All Coursesall course arrow
adda247
reward-icon
adda247
    arrow
    arrow
    arrow
    Which of the following is true for the performance analysis of medium transmission line using end condenser method?
    Question

    Which of the following is true for the performance analysis of medium transmission line using end condenser method?

    A.

    The voltage across the load is equal to the voltage across the lumped line capacitance.

    B.

    The voltage across the load is higher than the voltage across the lumped line capacitance.

    C.

    The voltage across the load is lower than the voltage across the each different distributed line capacitance.

    D.

    The voltage across the load is higher than the voltage across the each different distributed line capacitance.

    Correct option is A

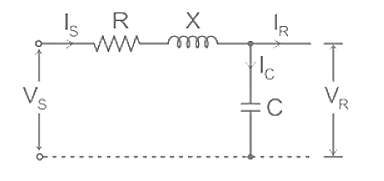
    End Condenser method:

    ABCD parameter A=1+YZB=ZC=YD=1Explanation: Since the load and the lumped line capacitance are connected in parallel at the receiving end, they both experience the same voltage. This means the voltage across the load is equal to the voltage across the lumped capacitance. This assumption simplifies calculations while still giving a reasonably accurate performance analysis for medium-length lines (typically between 80 km and 200 km).\text{ABCD parameter } \rightarrow A = 1 + YZ \\[4pt]B = Z \\[4pt]C = Y \\[4pt]D = 1 \\[8pt]\textbf{Explanation:} \\[4pt]\bullet \; \text{Since the load and the lumped line capacitance are connected in parallel at the receiving end, they both experience the same voltage.} \\[6pt]\bullet \; \text{This means the voltage across the load is equal to the voltage across the lumped capacitance.} \\[6pt]\bullet \; \text{This assumption simplifies calculations while still giving a reasonably accurate performance analysis for medium-length lines (typically between 80 km and 200 km).}​​

    test-prime-package

    Access ‘SSC JE Electrical’ Mock Tests with

    • 60000+ Mocks and Previous Year Papers
    • Unlimited Re-Attempts
    • Personalised Report Card
    • 500% Refund on Final Selection
    • Largest Community
    students-icon
    399k+ students have already unlocked exclusive benefits with Test Prime!
    test-prime-package

    Access ‘SSC JE Electrical’ Mock Tests with

    • 60000+ Mocks and Previous Year Papers
    • Unlimited Re-Attempts
    • Personalised Report Card
    • 500% Refund on Final Selection
    • Largest Community
    students-icon
    399k+ students have already unlocked exclusive benefits with Test Prime!
    Our Plans
    Monthsup-arrow