hamburger menu
All Coursesall course arrow
adda247
reward-icon
adda247
    arrow
    arrow
    arrow
    Which one of the following transformers has a single winding?
    Question

    Which one of the following transformers has a single winding?

    A.

    Potential transformer

    B.

    Pulse transformer

    C.

    Auto transformer

    D.

    Current transformer

    Correct option is C


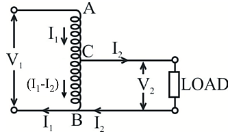
    An auto transformer has only one winding wound on a laminated core which acts as both primary and secondary.
    Auto transformer:-

    Advantage :
    Better voltage Regulation
    Cheaper
    Exciting current is low
    More efficient

    test-prime-package

    Access ‘RRB ALP Electronics Mechanic’ Mock Tests with

    • 60000+ Mocks and Previous Year Papers
    • Unlimited Re-Attempts
    • Personalised Report Card
    • 500% Refund on Final Selection
    • Largest Community
    students-icon
    368k+ students have already unlocked exclusive benefits with Test Prime!
    test-prime-package

    Access ‘RRB ALP Electronics Mechanic’ Mock Tests with

    • 60000+ Mocks and Previous Year Papers
    • Unlimited Re-Attempts
    • Personalised Report Card
    • 500% Refund on Final Selection
    • Largest Community
    students-icon
    368k+ students have already unlocked exclusive benefits with Test Prime!
    Our Plans
    Monthsup-arrow