hamburger menu
All Coursesall course arrow
adda247
reward-icon
adda247
    arrow
    arrow
    arrow
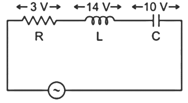
    The voltage across R, L and C are 3 V, 14 V and 10 V respectively as in the figure. If the voltage source is sinusoidal, then the input voltage (r.m.s
    Question

    The voltage across R, L and C are 3 V, 14 V and 10 V respectively as in the figure. If the voltage source is sinusoidal, then the input voltage (r.m.s) is

    A.

    10 V

    B.

    5 V

    C.

    2.5 V

    D.

    15 V

    Correct option is B



    test-prime-package

    Access ‘BHEL’ Mock Tests with

    • 60000+ Mocks and Previous Year Papers
    • Unlimited Re-Attempts
    • Personalised Report Card
    • 500% Refund on Final Selection
    • Largest Community
    students-icon
    354k+ students have already unlocked exclusive benefits with Test Prime!
    test-prime-package

    Access ‘BHEL’ Mock Tests with

    • 60000+ Mocks and Previous Year Papers
    • Unlimited Re-Attempts
    • Personalised Report Card
    • 500% Refund on Final Selection
    • Largest Community
    students-icon
    354k+ students have already unlocked exclusive benefits with Test Prime!
    Our Plans
    Monthsup-arrow