hamburger menu
All Coursesall course arrow
adda247
reward-icon
adda247
    arrow
    arrow
    arrow
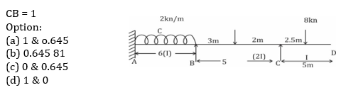
    The distribution factor of BC and CB of the continuous beam shown in the given figure are ________ respectively.
    Question

    The distribution factor of BC and CB of the continuous beam shown in the given figure are ________ respectively.

    A.


    B.


    C.


    D.


    Correct option is B




    Similar Questions

    test-prime-package

    Access ‘DDA JE Civil Engineering’ Mock Tests with

    • 60000+ Mocks and Previous Year Papers
    • Unlimited Re-Attempts
    • Personalised Report Card
    • 500% Refund on Final Selection
    • Largest Community
    students-icon
    383k+ students have already unlocked exclusive benefits with Test Prime!
    test-prime-package

    Access ‘DDA JE Civil Engineering’ Mock Tests with

    • 60000+ Mocks and Previous Year Papers
    • Unlimited Re-Attempts
    • Personalised Report Card
    • 500% Refund on Final Selection
    • Largest Community
    students-icon
    383k+ students have already unlocked exclusive benefits with Test Prime!
    Our Plans
    Monthsup-arrow