hamburger menu
All Coursesall course arrow
adda247
reward-icon
adda247
    arrow
    arrow
    arrow
    Which of the following starters is the most cost effective for an induction motor?
    Question

    Which of the following starters is the most cost effective for an induction motor?

    A.

    Stator resistance starter

    B.

    Slip ring motor starter

    C.

    Auto-transformer starter

    D.

    Star-delta starter

    Correct option is D

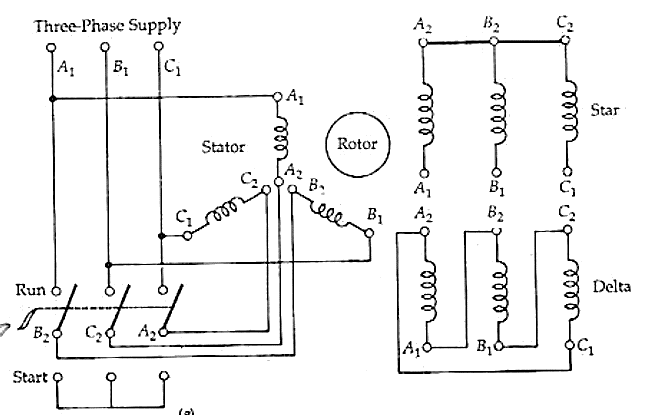
    Star-Delta Starter:
    · This is the cheapest option among the listed starters.
    · It uses a simple mechanism to initially connect the motor windings in a star configuration to reduce the voltage and current during startup.
    · After the motor reaches a certain speed, it switches to a delta configuration for normal operation. This simplicity and lack of additional components keep the costs low.

    Delta starting:Ist(phase)=V1Z01Ist(phase)=Ist(line)=3V1Z01Star connected startingIst(line)=Ist(phase)Ist(phase)=V13Z01The ratio of currents of star connection and delta connection:Ist(star)Ist(delta)=V13Z013V1Z01=13The starting current with star starting is just 13 rd when compared to direct delta starting.\textbf{Delta starting:}\\I_{st ( phase )} = \frac{V_1}{Z_{01}} \\I_{st ( phase )} = I_{st ( line )} = \frac{\sqrt{3}V_1}{Z_{01}}\\\textbf{Star connected starting}\\I_{st ( line )} = I_{st ( phase )} \\I_{st ( phase )} = \frac{V_1}{\sqrt{3}Z_{01}}\\\textbf{The ratio of currents of star connection and delta connection:}\\\frac{I_{st ( star )}}{I_{st ( delta )}} = \frac{\frac{V_1}{\sqrt{3}Z_{01}}}{\frac{\sqrt{3}V_1}{Z_{01}}} = \frac{1}{3}\\\text{The starting current with star starting is just } \frac{1}{3} \text{ rd when compared to direct delta starting.}​​

    test-prime-package

    Access ‘UPPCL’ Mock Tests with

    • 60000+ Mocks and Previous Year Papers
    • Unlimited Re-Attempts
    • Personalised Report Card
    • 500% Refund on Final Selection
    • Largest Community
    students-icon
    383k+ students have already unlocked exclusive benefits with Test Prime!
    test-prime-package

    Access ‘UPPCL’ Mock Tests with

    • 60000+ Mocks and Previous Year Papers
    • Unlimited Re-Attempts
    • Personalised Report Card
    • 500% Refund on Final Selection
    • Largest Community
    students-icon
    383k+ students have already unlocked exclusive benefits with Test Prime!
    Our Plans
    Monthsup-arrow