arrow
arrow
arrow
In Separately excited generator, the field windings are connected in:
Question

In Separately excited generator, the field windings are connected in:

A.

Shunt with source

B.

Closed circuit

C.

Open circuit

D.

Series with source

Correct option is D


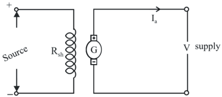
In separately excited generator the field windings are connected in series with source.

Applications- Ward Leonard speed control, Warships, Aircraft.

test-prime-package

Access ‘RRB ALP Electrician’ Mock Tests with

  • 60000+ Mocks and Previous Year Papers
  • Unlimited Re-Attempts
  • Personalised Report Card
  • 500% Refund on Final Selection
  • Largest Community
students-icon
383k+ students have already unlocked exclusive benefits with Test Prime!
test-prime-package

Access ‘RRB ALP Electrician’ Mock Tests with

  • 60000+ Mocks and Previous Year Papers
  • Unlimited Re-Attempts
  • Personalised Report Card
  • 500% Refund on Final Selection
  • Largest Community
students-icon
383k+ students have already unlocked exclusive benefits with Test Prime!
Our Plans
Monthsup-arrow