All Courses
Teaching Maha Pack
KVS TGT
Bihar Shikshak Bharti TRE 6 to 8
Bihar Shikshak Bharti TRE 9 to 10
Bihar Shikshak Bharti TRE 11 to 12
KVS PGT
CTET
UPTET
UP LT GRADE
UP LT GRADE Pre and Mains
EMRS TGT
EMRS PGT
DSSSB TGT
UP TGT
UP PGT
EMRS
Super TET
KVS
NVS Non Teaching
DSSSB
DSSSB PRT
UP GIC Lecturer
NVS
KVS PRT
KVS Non Teaching
NVS PRT
Bihar STET 9 to 10
Bihar STET 11 to 12
Bihar Librarian Science
Jharkhand Madhyamik Teacher
DSSSB PGT
Bihar B Ed
HSSC TGT
Jharkhand PGT
MPESB PGT
Bihar TET
Librarian
EMRS Non Teaching
Chhattisgarh Teaching
UP BEd
TET ADDA
Army Public School
Bihar Special School Teacher
BSSTET
CG VYAPAM
Bihar STET
HTET
State TETs
UP Lecturer
B.Ed
HPTET
CTET Paper-II (Social Science)
BPSC TRE (6-8)
BPSC TRE (9-10)
BPSC TRE (11-12)
Bihar STET Paper I
Bihar STET Paper II
HPSC PGT
MP TET
RPSC Grade 1
Bihar Deled
REET
RRB Railway Teacher
BPSC
DSSSB Non Teaching
RPSC Grade 2 Teacher
PGT Foundation
TGT Foundation
WB SLST 11 to 12
Bihar Shikshak Bharti TRE 1 to 5
AWES PRT
RPSC
NVS PGT
NVS TGT
Teaching Books
Free Webinar
WB TET
Home
ITI
Electrician
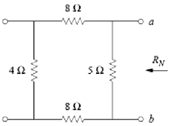
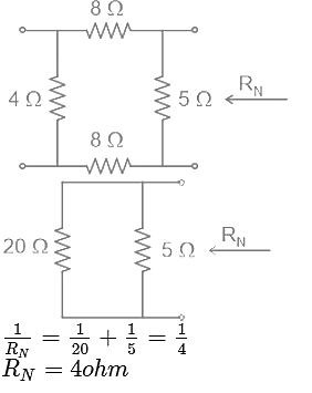
Find for the following circuit:
Question
Find
for the following circuit:
A.
5Ω
B.
25Ω
C.
4Ω
D.
20Ω
Solution
Correct option is C
Similar Questions
1)
Which of the following is not an essential part of a motor meter?
2)
Which of the following emits almost monochromatic light
3)
In which type of motor flywheel in used for heavy load.
4)
1 HP is equivalent to how many watts?
5)
PVC insulated non sheathed single core cable is mainly used-
6)
Voltmeter provide a route to-
7)
Which of the following is not a method of speed control of induction motor?
8)
What will be minimum insulation resistance of a system operated at maximum voltage of 250V?
9)
What is the principle of solar energy based on?
10)
The flow rate of a single phase pump can be changed-
View More
Access ‘PSPCL’ Mock Tests with
60000+ Mocks and Previous Year Papers
Unlimited Re-Attempts
Personalised Report Card
500% Refund on Final Selection
Largest Community
BUY NOW
353k+ students have already unlocked exclusive benefits with Test Prime!
Access ‘PSPCL’ Mock Tests with
60000+ Mocks and Previous Year Papers
Unlimited Re-Attempts
Personalised Report Card
500% Refund on Final Selection
Largest Community
BUY NOW
353k+ students have already unlocked exclusive benefits with Test Prime!
Our Plans
Months
BUY NOW
Chat With Us